24小时客服热线
021-62209657
客服电话:
021-62209657,021-54843093
销售项目组移动电话:
太赫兹:18817395337
超快激光:18616805565
激光测量与光谱:15618996225
传真:021-54843093
邮件:sales@eachwave.com
产品简介
>>相关链接:使用新型 MPY-RS2 热释电太赫兹探测器探测器进行太赫兹光谱分析
>>相关链接:太赫兹热释电探测器选型推荐
MPY-RS2 是Eachwave太赫兹热释电探测器产品序列中速度最快、灵敏度最高的探测器。标准版本具有 8kHz 的电子 3dB 截止频率,可直接测量高达 100 kHz 的信号。与所有热释电探测器一样,它特别适用于长波红外 (LWIR) 和 THz频率范围的测量。与 MPY-RS 探测器相比,性能的提高得益于新型高性能热释电探测器与改进的高端电子设备的结合。
探测器元件的光学带宽非常宽,因此它可以用作太赫兹探测器和红外探测器,也可以在可见光和紫外范围内使用。具体适用性仅受光学窗口选择的限制。我们提供具有不同传输带宽的不同窗口片可以选择。
通过SMA插座输出的信号适用于锁相放大器以及数据采集卡和示波器。包括一个从 SMA 到 BNC 的适配器。该探测器配备了一个低噪声外部电源(包含在交付中),与MPY-01的电池操作相比,可以进行连续测量。
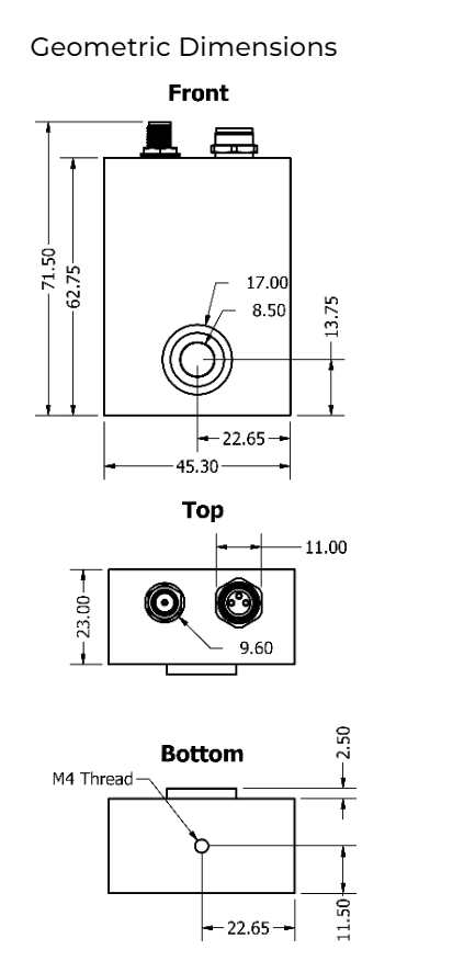
其紧凑的设计允许在光学装置中节省空间 - 所有操作元件都可以从上方轻松访问。灵敏的探测器元件由旋入式盖保护。于此同时,窗口处SM05螺纹的使用确保了与Thorlabs的传统光学元件(例如滤光片)的兼容性。
太赫兹探测器物理特性
太赫兹探测器电学特性
太赫兹探测器测量特性
紫外-太赫兹波段
KBr window: λ = 200 nm – 30 ?m
HDPE window: λ > 40 ?m
Diamond window: λ > 225 ?m
其他窗口可以根据需求定制
* KBr窗口,宽带黑体辐射源温度150℃,波长6.8μm
** 可以定制带宽高达200KHz的探测器
*** 如果入射源重复频率超过50KHz,或者是连续波,则需要斩波器调制输出重复频率。
太赫兹探测器性能测试
响应度和 D* 值是使用 6.8 μm 的 150°C 黑体发射器测量的峰值发射和带有 KBr 窗口的检测器。这些值可以更改为其他波长。
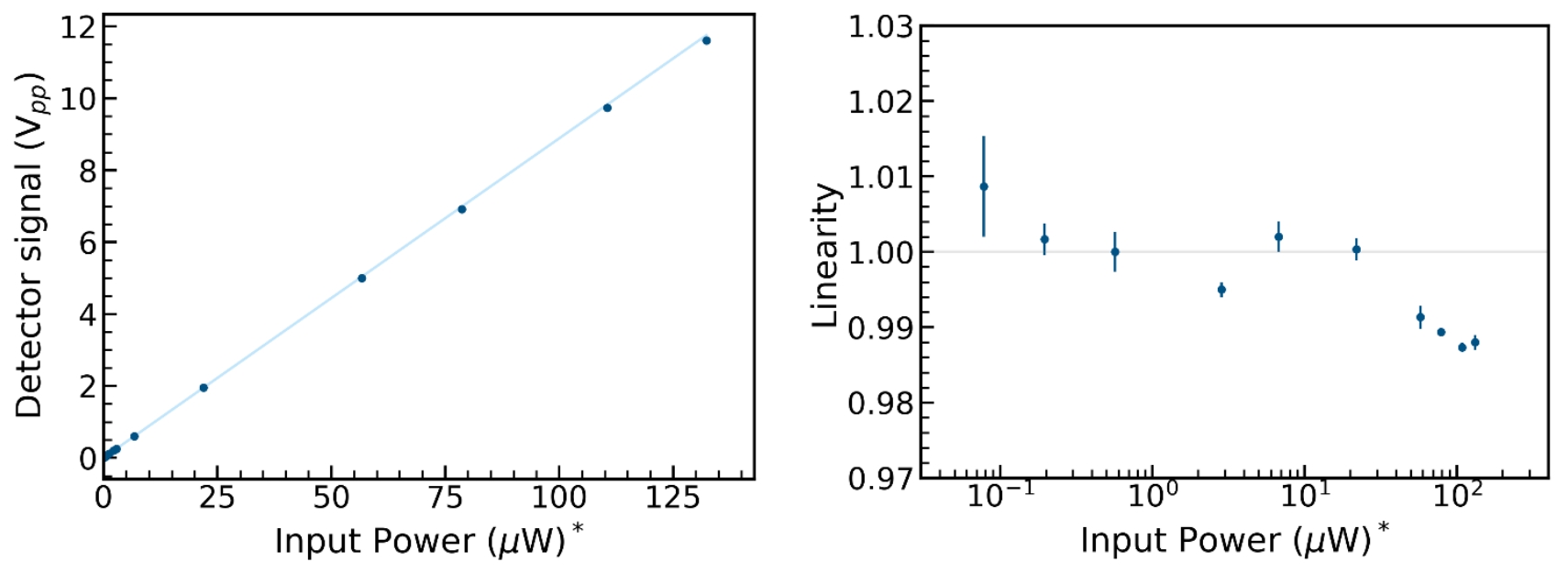
太赫兹探测器线性度测量
在 4 个数量级内,与理想线性度的偏差< 1%。
太赫兹探测器尺寸参数